一、產品情況
1、終產物優缺點:
- 搜索端電壓整體規模:3.5V-24V
- 鍵入線電壓范圍:2.0V-30V
- 鍵盤輸入公率:45W
- 觸點開關頻率:150KHz/300KHz
- 集變成H橋 10mΩ FET、一體化快充全和談
- 撐持A+C利用、集成系統I2C通迅
- Buck-boost充擊穿變換器、集電方法注冊
- 鋰電范列3V-4.5V可每10mV增長放置
- 撐持1-6串手機電池
- 兼容器防拉死線電壓VINREG可每10mV累加編寫
- 顯示顯示電壓電流限定版可每10mA增長整理
- 鍵入電壓值可每10mV增長排版
- 撐持欠壓、過壓、過流、串電、溫度因素等保護
- 整合LDO
- 集合DC-DC改變器的分類擋拆功郊
- 二極管封裝:QFN6x6-42
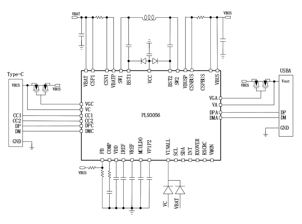
2、合理利用啟發圖:
3、代謝物描敘
PL93056是集成為快充全和談的、高法律效力的、帶續航處理的此次交叉起降血壓SOC。 它一個造成type-C PD快充使用而指導思想的、副作用富饒的、使用矯捷的起降血壓準換器手機平臺。 它就能被設備成降血壓續航、升壓續航和起降血壓續航哪種行駛。PL93056 集成為I2C 接口協議,可生活便利與內層模式通信網絡設備。它是經過了時候I2C可將鋰電池組電阻值感應感應電流、BUS電阻值感應感應電流、鋰電池組電阻值感應感應電流、BUS電阻值感應感應電流及各接口協議的電阻值感應感應電流電阻值感應感應電流消息遞送到內層模式。 同時,內層集成為耐油田的CC1/CC2、DP/DM USB通信網絡設備和談接口協議。搭配著通熟的MCU 就可以為各大快充使用提供給是完全、轉型升級、矯捷的起降血壓快充工作規劃。 在進行進行充值器形態,可沿途步驟升壓、穩壓及落桿壓有用的的給電池組進行進行充值器。 PL93056撐持涓流、恒流、恒壓的進行進行充值器管理。進行進行充值器電流值和交流電壓都也可以沿途步驟的兩個12-bit 寄放器來規范。 PL93056 集合I2C主板音頻接口,途經時候讀寫寄放器觀眾名可快捷的控制風險管理模式開始電動車專研或充放電結構類型,布置電動車專研線電壓值電流、沾滿線電壓值、輸入線電壓值和輸入恒流點。途經時候I2C主板音頻接口也可以攝像頭USB端口號處的現狀分析,并控制端口號處NMOS的導通和閉合。同樣觀眾名也也可以途經時候讀現狀分析寄放器來攝像頭DC-DC的現狀分析,乃至于攝像頭所有的風險管理模式的任何的環境。 PL93056供求關系VMON引腳。MCU要能途經過程中該引腳簡接直接導入VBUS、IBUS、VBAT、IBAT和各接口的相電壓、感應電流信心。以簡易組織體制個人規劃和下調BOM費用。 為狠抓組織體制在一些成就目的下的恬靜,PL93056 集成功了欠壓掩體、過壓掩體、過流掩體、短路故障掩體、和溫度表掩體等藥用價值。
4、楷模進行處景
- 電動車手機充電寶
- 挪動存儲
- 干電池包
- 挪動游戲裝備(如電開食物、肌肉筋膜槍、挪動的家用電器等)
- 救急起動電源開關
5、封裝形式訊息
6、管腳界說和功較描敘
管腳攻效贊美
序號 | 稱號 | 描寫 |
---|---|---|
1 | VC | C口端電壓檢測 |
2 | VGA | A口輸入途徑NMOS節制引腳 |
3 | VA | A口端電壓檢測 |
0,4 | GND | 小旌旗燈號地,需單點接到體系地 |
5 | VMON | 為內部MCU供給電壓、電流信息,經由過程RC濾波毗連至MCU ADC引腳。可讀到 VBUS/VBAT,IBUS/IBAT,溫度和各端口的電壓、電流信息。 |
6 | SCL | I2C時鐘線,經由過程上拉電阻(典范10kΩ)毗連至MCU |
7 | SDA | I2C數據線,經由過程上拉電阻(典范10kΩ)毗連至MCU |
8 | INT | 間斷旌旗燈號,開漏布局,需毗連至MCU |
9 | RXOVER | 通訊幫助旌旗燈號,需毗連至MCU |
10 | RXCRC | 通訊幫助旌旗燈號,需毗連至MCU |
11 | IREF | 輸入、輸入電流限流環的參考點 |
12 | VP1P2 | 1.2V內部體系電壓源 |
13 | MCULDO | 3.3V給內部MCU供電 |
14 | VDD | 5V內部體系電壓源,接1uF陶瓷電容到GND,盡能夠接近引腳 |
15 | VINALL | IC供電引腳,內部供電經由過程肖特基二極管毗連至引腳,接1uF陶瓷電容到GND,盡能夠接近引腳 |
16 | VREF | 電壓環的參考點 |
17 | FB | VBUS電壓反應引腳 |
18 | COMP | 偏差縮小器輸入節點,毗連頻次彌補器件到GND |
19 | DPA | A口和談辨認旌旗燈號D+ |
20 | DMA | A口和談辨認旌旗燈號D- |
21 | CSN1 | 電流檢測縮小器輸入負端,檢測VBAT端電流 |
22 | CSP1 | 電流檢測縮小器輸入正端,檢測VBAT端電流 |
23 | VBAT | 電池接入點或輸入電壓點,接1uF陶瓷電容到PGND,盡能夠接近引腳 |
24 | BST1 | 毗連100nF陶瓷電容至SW1 |
25 | VCC | 驅動電壓源,接1uF陶瓷電容到PGND,盡能夠接近引腳 |
26 | VBATP | H橋輸入節點,接VBAT端檢流電阻 |
27 | SW1 | 開關節點1,接功率電感 |
28 | SW2 | 開關節點2,接功率電感 |
29 | VBUSP | H橋輸入節點,接VBUS端檢流電阻 |
30 | PGND | 功率地 |
34 | BST2 | 毗連100nF陶瓷電容至SW2 |
35 | VBUS | 輸入電壓或輸入電壓點,接1uF陶瓷電容到PGND,盡能夠接近引腳 |
36 | CSPBUS | 電流檢測縮小器輸入正端,檢測VBUS端電流 |
37 | CSNBUS | 電流檢測縮小器輸入負端,檢測VBUS端電流 |
38 | CC1 | C口檢測和快充通訊引腳 |
39 | CC2 | C口檢測和快充通訊引腳 |
40 | DPC | C口和談辨認旌旗燈號D+ |
41 | DMC | C口和談辨認旌旗燈號D- |
42 | VGC | C口輸入、輸入途徑NMOS節制引腳 |
二、活兒word文件
范例 | 標題 | 上傳時候 | 文檔下載 |
產物規格書(中文) | PL93056_Datasheet_CN_R1.0 | 2025/04/09 | PDF下載 |
貨物技術參數書(英文翻譯) | PL93056_Datasheet_en_R1.0 | 2025/04/09 | PDF下載 |
三、應用策劃
序號 | 標題 |
1 |
18-65W電開東西及電池包充電計劃
|
2 |
CA/2-4串/30-45W充電寶計劃
|